首页
关于我们
造粒机特点
产品中心
售后与备件
企业动态
联系我们
CN
EN
MENU
关于我们
公司简介
董事长简介
公司资质
公司荣誉
公司厂房
合作伙伴
造粒机特点
造粒机技术来源
瑞宝造粒机技术来源
瑞宝造粒机工作原理
瑞宝造粒机特点和发明专利
瑞宝通过中石化部级鉴定
瑞宝造粒机专用防粘剂
瑞宝钢带
产品中心
钢带式造粒
结片机
水下造粒
包装机
业绩展示
售后与备件
售后服务
售后案例
备件库
企业动态
新闻中心
员工中心
联系我们
联系方式
在线留言
人才招聘
产品中心
钢带式造粒
结片机
水下造粒
包装机
业绩展示
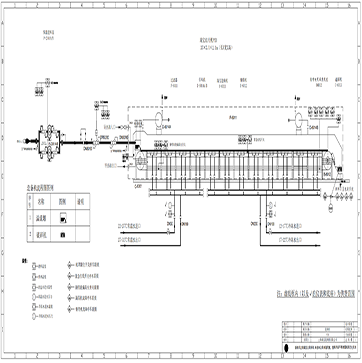
结片机
结片机
双钢带结片机
«
1
»
Copyright © 2023 上海瑞宝造粒机有限公司 版权所有 |
沪ICP备05011397号
技术支持:
网站建设
-中谷网络